Как РТС-термисторы защищают оборудование

Самой распространенной причиной выхода из строя как бытовой техники, так и промышленного оборудования является банальный перегрев двигателя. Однако самое худшее еще впереди: перегруженный двигатель не просто останавливается – без надежной защиты он становится причиной дорогостоящего ремонта, а в худшем случае, даже пожара.
Любые последствия, будь то ремонт или пожар – это существенные траты бюджета и неизбежный простой оборудования и производства. Чтобы не допустить этого, устройство обязательно должно быть оснащено системой, которая своевременно и гарантированно отключит его при опасном повышении температуры.
Для предотвращения подобных аварий используют комплекс устройств, ключевым элементом которых являются РТС-термисторы – небольшие, но очень важные защитные элементы.
Расскажем простыми словами без сложной терминологии, что это такое, как они работают, и почему без них сегодня сложно представить надёжную технику.
Что такое РТС-термистор
РТС-термистор – это полупроводниковый резистор, который реагирует на температуру. Его главный принцип заключается в том, что при нагреве он резко увеличивает своё сопротивление.
Почему именно «защитный»
Защитный РТС-термистор не измеряет температуру ради показаний на экране. Его задача — предотвратить повреждение и выход оборудования из строя. Он работает как автоматический сторож:
- температура в норме – техника работает спокойно, в штатном режиме;
- температура превысила допустимую – сопротивление РТС-термистора лавинообразно возрастает, и РТС-термистор передает сигнал на устройства защитного отключения;
- температура снизилась — сопротивление вернулось к номинальному, и оборудование снова готово к работе.
Вот так без оперативного вмешательства человека предотвращается поломка оборудования.
Преимущества РТС-термистора по сравнению с обычным предохранителем
Многие привыкли к классическим предохранителям, представляющими собой тонкую перемычку, которая сгорает при перегрузке.
В отличие от него защитный РТС-термистор действует иначе. И его главными отличиями являются такие характеристики, как:
- самовосстановление – после охлаждения он возвращается в рабочее состояние;
- реакция именно на температуру;
- отсутствие необходимости замены после срабатывания;
- продолжительный срок службы.
По сути, защитный РТС-термистор – это многоразовая защита оборудования, рассчитанная на годы работы.
Где применяют защитные РТС-термисторы
РТС-термисторы используются в различных отраслях и оборудовании:
- промышленные электроприводы и автоматизация;
- энергетика и ВИЭ (возобновляемые источники энергии);
- сельское хозяйство и пищевая промышленность;
- ЖКХ;
- автомобильная промышленность и электротранспорт;
- климатическая техника и вентиляция;
- бытовые приборы и инструменты;
- медицинское оборудование.
Чаще всего защитные РТС-термисторы используют для защиты обмоток двигателей. Для этого они встраиваются непосредственно в обмотку электродвигателя и совместно с различными устройствами защиты электродвигателя препятствуют его выходу из строя: в случае перегрева, перегрузки или плохого охлаждения двигателя РТС-термистор срабатывает раньше, чем начинает разрушаться изоляция.
График зависимости сопротивления от температуры
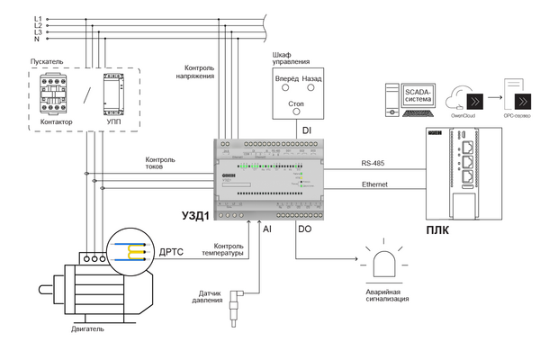
Как защитные РТС-термисторы подключаются на практике
Сам по себе РТС-термистор – элемент пассивный. Для того, чтобы по его сигналу произошло физическое отключение оборудования или предупреждение, его ставят работать в связке с защитными устройствами – специальными модулями контроля.
Самый простой и надёжный вариант – подключение через устройство защиты электродвигателя (УЗД).
Схема подключения выглядит так:
- РТС-термистор устанавливается в обмотку двигателя, трансформатора или в зону возможного перегрева;
- его выводы подключаются к входу устройства контроля;
- при превышении допустимой температуры сопротивление термистора резко возрастает;
- устройство защиты фиксирует это состояние и далее отрабатывает один из сценариев:
- либо отключает нагрузку;
- либо выдаёт сигнал аварии;
- либо блокирует повторный пуск до охлаждения.
Схема подключения ДРТС к УЗД1
В компании ОВЕН представлены разные модификации датчиков ДРТС:
- ДРТС – с одним измерительным узлом.
- 3ДРТС – с тремя последовательно соединенными узлами.
- 6ДРТС – с шестью последовательно соединенными узлами.
ДРТС имеют широкий диапазон классификационных температур – от 90 до 160 °С и работают совместно с устройствами защиты двигателя УЗД1 и ПБР10А.
Защитный РТС-термистор – это незаметный, но крайне важный элемент современной электроники. Он не показывает цифры, не мигает лампочками и не требует внимания, но в нужный момент берёт удар на себя и спасает оборудование от перегрева и поломки. Именно такие «тихие помощники» делают технику надёжной и долговечной.




