Аксессуары к промежуточным реле: упрощение монтажа и повышение надежности ваших электросистем

Промежуточные реле играют ключевую роль в автоматизации и управлении электрическими цепями. Они используются для гальванического разделения силовых и управляющих участков, а также для управления мощными нагрузками при помощи слабых управляющих сигналов, например, от датчиков движения.
Применение в реальных условиях
Рассмотрим, как промежуточные реле могут использоваться в практических схемах. Например, в системе освещения через датчик движения.
Когда датчик фиксирует движение, он подает сигнал на катушку реле, которая замыкает цепь питания для светильников. Мощность нагрузки ограничена только номинальным током контактной группы реле, что позволяет безопасно управлять мощными осветительными приборами.
Пример: схема включения осветительных приборов с датчика движения
Аксессуары для промежуточных реле
Для 1-контактных промежуточных реле серии MSN марки MEYERTEC используются четыре основных аксессуара для расширения технических возможностей и повышения удобства монтажа:
- Колодки (обеспечивают надежную фиксацию реле на DIN-рейке и упрощают монтаж).
- Соединительные шины (позволяют соединять одноименные контакты нескольких колодок в единую группу, что сокращает количество проводников и упрощает установку).
- Маркировочные пластины (используются для четкой идентификации реле, что упрощает обслуживание и диагностику системы).
- Разделители колодок (помогают структурировать монтаж и разделять группы колодок по функциональному назначению, повышая порядок в помещениях с электросистемами).
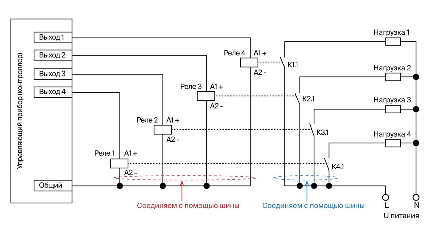
Практический пример применения аксессуаров
Предположим, у вас есть контроллер (ПЛК), который управляет катушками промежуточных реле. Общий вывод контроллера и однотипные контакты в силовой цепи соединены с помощью соединительных шин.
Это решение позволяет избежать прокладки отдельных проводников к каждому контакту или катушке, что значительно упрощает монтаж и улучшает качество соединений.
Для многоконтактных реле предлагаются пластиковые удерживающие зажимы, которые защищают реле от выпадения в условиях вибрации, а также модули LED-индикации, отображающие состояние напряжения питания.
Аксессуары к промежуточным реле не только расширяют их функциональные возможности, но и делают процесс монтажа более удобным и эффективным. Правильный выбор аксессуаров и их применение помогут вам создать надежные и безопасные электрические схемы, независимо от области их применения.




