Как настроить и подключить преобразователь частоты к электродвигателю

Преобразователи частоты широко используются в схемах управления электрическим приводом на базе двигателей переменного тока. Устройство позволяет регулировать момент и скорость, осуществлять управление по любому из законов автоматического регулирования, выполняет функции защиты от аварийных или ненормальных режимов работы (подробнее про назначение и функции преобразователя частоты можно почитать тут).
Рассмотрим, как осуществляется монтаж и подключение ПЧ к электродвигателю.
Подготовка преобразователя частоты к подключению
Перед монтажом проверяют комплектность и целостность преобразователя частоты, тщательно изучают руководство по эксплуатации, проверяют соответствие параметров устройства требованиям и характеристикам электропривода.
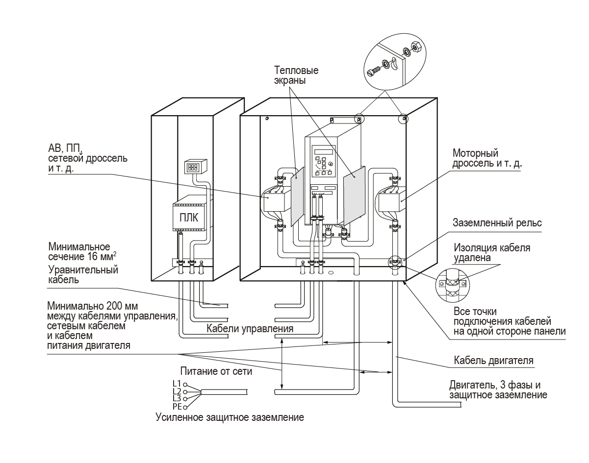
Место для размещения преобразователя частоты выбирают с учетом требований к монтажу, указанных в руководстве по эксплуатации. ПЧВ ОВЕН можно устанавливать вплотную к стене шкафа, преобразователи частоты других производителей требуют наличия зазора.
ПЧ устанавливают исходя из следующих рекомендаций:
- Оборудование в корпусе со степенью защиты IP20 устанавливают в шкафах и щитах. ПЧ со степенью защиты IP54 и IP65 допускается размещать на открытых площадках и в запыленных помещениях.
- Рекомендуемое расстояние от передней и задней стенки шкафа до частотного преобразователя составляет от 150 мм.
- Размещение ПЧ или других выделяющих тепло устройств одно за другим запрещается. Монтажное положение преобразователей частоты должно соответствовать рекомендациям производителя.
- Преобразователь частоты располагают на максимальном удалении от источника сильных электромагнитных полей, которые могут вызвать сбои в работе устройства.
Требования к установке ПЧ
Щит или шкаф для преобразователя частоты выбирают по суммарному тепловому выделению и габаритам всех электроаппаратов. При этом должно быть обеспеченно необходимое расстояние между аппаратами, а также достаточный отвод тепла. В ряде случаев может потребоваться принудительная вентиляция достаточной производительности.
Требования к монтажу преобразователей частоты
К подключению приступают после установки преобразователей частоты в шкафу и фиксации аппарата крепежными изделиями.
Для начала клемму ПЧ присоединяют к заземляющему контуру. Подключение осуществляется проводами с медной жилой 10 мм2 или 16 мм2 с алюминиевым проводником. При обрыве заземляющего проводника должно быть предусмотрено автоматическое отключение преобразователя частоты. Корпус также должен быть занулен через клемму «РЕ» проводом не меньшего поперечного сечения, что и заземление.
Защита преобразователя частоты осуществляется при помощи предохранителей и автоматического выключателя, которые устанавливают между ПЧ и сетью. Выбор аппаратов защиты делают по стандартной методике.
Подключение силовых линий привода осуществляется экранированными или неэкранированными кабелями, рекомендованного производителем сечения (Таблица 1). Его площадь указана в инструкции по эксплуатации частотного преобразователя.
Таблица 1. Рекомендуемое сечение подключаемых проводников для линейки ОВЕН ПЧВ1
| Напряжение питания, В | Номинальная мощность ПЧВ, Вт | Рекомендуемое сечение подключаемых медных проводников, мм2 |
| 220В | 0,75 | 2,5 |
| 1,5 | 2,5 | |
| 2,2 | 4,0 | |
| 380В | 0,75 | 1,5 |
| 1,5 | 2,5 | |
| 2,2 | 2,5 | |
| 4,0 | 4,0 | |
| 5,5 | 6,0 | |
| 7,5 | 6,0 | |
| 11 | 10 | |
| 15 | 10 | |
| 18 | 16 | |
| 22 | 16 |
При длине кабеля от преобразователя частоты до двигателя 50-300 м рекомендуется установка моторных дросселей. Устройства уменьшают вероятность срабатывание защиты ПЧ из-за асимметрии емкостных фазных токов.
Для снижения влияния высших гармоник между сетью и преобразователем частоты ставят сетевые дроссели. При несоответствии возникающих радиопомех требованиям ЭМС используют специальные фильтры, которые включают в цепь перед двигателями.
Для линий управления ПЧ требуется использовать экранированные многожильные кабели с сечением, соответствующим требованиям производителя. Для модельного ряда ПЧВ1 сечение контрольных кабелей выбирают из Таблицы 2.
Таблица 2. Сечение контрольных кабелей для ОВЕН ПЧВ1
| Сечение проводов для подключения клемм управления | 0,25 мм2 | |
| Сечение проводов | при монтаже жестким проводом | 1,5 мм2(2×0,75 мм2) |
| при монтаже гибким кабелем | 1 мм2 | |
| при монтаже кабелем с центральной жилой | 0,5 мм2 | |
| Сечение проводов к клеммам релейных выходов | 2,5 мм2 | |
Для подключения интерфейса RS-485 применяют экранированные витые пары. Допустимая длина линий связи по каналу
RS-485 – до 1200 м.
Трассы проводников организовывают с минимальным количеством пересечений, при этом угол пресечений должен составлять 900. Расстояние между силовыми и контрольными кабелями должно быть не меньше 300 мм. Запрещается совместная прокладка силовых и управляющих линий в одном лотке или трубе.
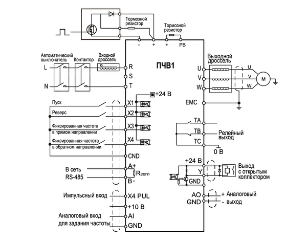
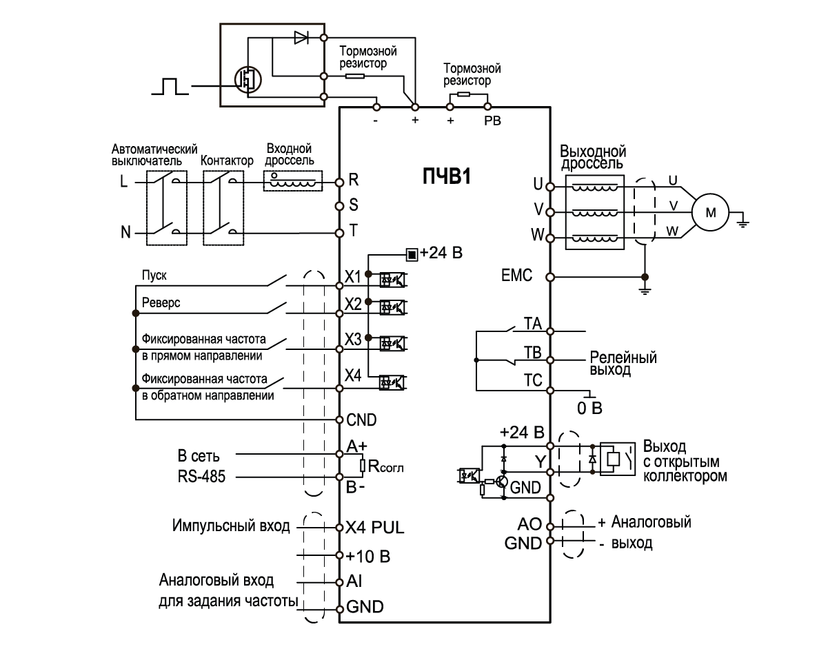
Подключение ПЧВ1 осуществляется согласно схеме, представленной ниже.
Схема подключения ПЧВ1
Все подключения должны соответствовать требованиям ПУЭ, нормативов электробезопасности, электромагнитной совместимости.
Порядок подключения преобразователя частоты
Подключение частотного преобразователя включает следующие этапы:
- Подготовка. При этом проверяют целостность и работоспособность ПЧ, устанавливают шкаф или щит, прокладывают кабельные трассы.
- Непосредственно подключение. Устанавливают ПЧ в шкаф, монтируют фильтры для защиты от высших гармоник и радиопомех, дополнительное оборудование, подключают силовые и контрольные кабели.
- Контроль качества. Проверяют качество и правильность сборки схемы, выявляют и устраняют недоработки и ошибки.
Подключение частотного преобразователя
Завершают работы выполнение настроек и первого пуска. К последнему этапу приступают только после полной сборки схемы внешних электрических подключений, проверки качества и правильности монтажа. Порядок выполнения первого пуска следующий:
- Подают напряжение на преобразователь частоты и электродвигатель.
- Отрывают настройки, устанавливают характеристики двигателя.
- Запускают электродвигатель.
- Проверяют направление вращения вала, при его несоответствии заданному переустанавливают настройки «Направление вращения» или меняют местами 2 фазы питания двигателя.
- Выбирают в настройках автоподстройку параметров двигателя в зависимости от условий: с вращением, без вращения или только сопротивление статора.
- Задают скалярный или векторный режим управления, устанавливают источник сигнала запуска и регулирования скорости.
- При отсутствии отклонений завершают первый пуск.
Все работы по подключению выполняют при полностью снятом напряжении. В составе ПЧ содержатся реактивные элементы, которые способствуют появлению напряжения после отключения, для выполнения работ с токоведущими частями необходимо подождать 7-15 минут после снятия напряжения. Отключение двигателя кнопкой с панели ПЧ или с источника сигнала на остановку не обесточивает электрическую цепь, для полного снятия напряжения отключают автоматический выключатель перед ПЧ.
Все работы по подключению должен выполнять электротехнический персонал, имеющий соответствующую группу допуска и прошедший инструктаж по технике безопасности (ТБ).




