Принцип работы преобразователя частоты

Управление асинхронным двигателем
Асинхронный двигатель переменного тока – электрическая машина со скоростью вращения ротора меньшей, чем частота вращения магнитного поля статора. На их базе построено подавляющее количество электроприводов оборудования, применяющегося в различных отраслях.
Двигатели такого типа отличает:
- Оптимальное отношение масса/мощность.
- Относительно низкая цена.
- Простота конструкции.
- Надежность.
- Низкие затраты на эксплуатацию.
Однако двигатели переменного тока имеют свои недостатки. Один из них – сложность управления частотой вращения вала. При регулировании величины напряжения на обмотках теряется мощность и момент на валу. Применение электродвигателей с фазным ротором незначительно расширяет диапазон скоростей и существенно повышает стоимость привода. Использование редукторов усложняет кинематическую схему и также повышает цену.
Изменение частоты питающего напряжения обмоток статора – наиболее перспективный метод управления двигателями переменного тока. Способ позволяет не использовать механизмы для регулирования скорости, не усложнять конструкцию ротора, избежать ухудшения механических характеристик.
Для управления приводами переменного тока применяют преобразователи частоты (ПЧ). Рассмотрим, что представляют собой устройства, их принцип работы, виды и преимущества.
Что такое преобразователь частоты
ПЧ – устройство для регулирования частоты напряжения переменного тока. Принцип управления приводом при помощи преобразователя основан на зависимости скорости вращения вала от частоты напряжения на обмотках. Чем она выше, тем больше скорость.
Другими словами, оборудование позволяет изменять скорость вращения и момент на валу переменного тока путем преобразования частоты напряжения на обмотках статора.
Стандартная скорость асинхронного электродвигателя составляет 500, 750, 1000, 1500, 3000 об/мин. Применение преобразователей частоты позволяет увеличить или снизить угловую частоту вращения. Интервал регулирования может составлять 1:200 и больше, выше или ниже номинальной скорости.
Устройство включается в сеть перед электродвигателем, на его обмотки поступает напряжение частотой выше или ниже сетевой.
Современный преобразователь частоты комплектуется контроллером для защиты, задания режимов пуска, разгона и торможения, ПИ- или ПИД-регулирования, реализации специальных функций управления: обнаружение обрыва приводного ремня, динамического торможения и прочих.
Таким образом, ПЧ позволяет не только регулировать скорость и момент на валу. Устройство обеспечивает различные режимы управления оборудованием, защищает от ненормальных и аварийных режимов работы.
Применение ПЧ значительно расширяет технические возможности электропривода переменного тока, позволяет использовать значительно более дешевые и простые двигатели.
Пример применения преобразователей частоты с оборудованием, которое постоянно используется в быту, – насосы водоснабжения и отопления. Устройства регулируют подачу воды в зависимости от расхода или температуры, плавно запускают и останавливают агрегаты для исключения гидравлических ударов.
Схемы преобразователей частоты
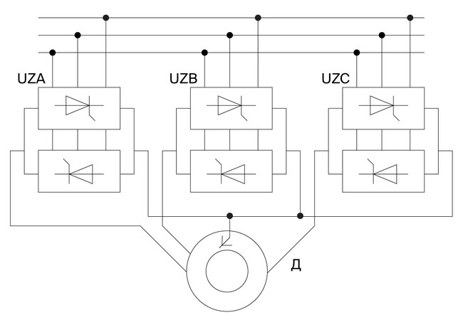
Две самые распространенные схемы преобразователей частоты – с непосредственной связью с сетью и звеном постоянного тока.
Первые обычно построены на базе управляемых или неуправляемых тиристорных ключей. Варианты схем – мостовая, встречно-параллельная, перекрестная и т.д.
Схема ПЧ на базе управляемых тиристорных ключей
Каждый из ключей пропускает определенный отрезок синусоиды, в результате на выходе преобразователя формируется напряжение, близкое к синусоидальной форме. Частота выходного напряжения отличается от сетевой. Преобразователи с непосредственной связью с электросетью позволяют обеспечить стабильный момент на низких скоростях, хорошо выдерживают перегрузки, могут применяться с нагрузкой с низким коэффициентом мощности. Кроме того, такие устройства обладают высоким КПД, могут работать в режиме рекуперации электроэнергии при торможении двигателя. Мощность непосредственных ПЧ можно увеличивать наращиванием тиристорных цепей.
К недостаткам схем частотных преобразователей с гальванической связью с сетью относят высокий уровень высших гармоник, возможность регулирования скорости только ниже номинальной.
ПЧ со звеном постоянного тока состоят из выпрямителя, промежуточного конденсаторного звена, инвертора, блока управления.
Устройство работает следующим образом: переменное напряжение частотой 50 Гц преобразуется в постоянное, далее фильтруется от переменной составляющей. Инвертор на быстродействующих ключах преобразует постоянное напряжение в переменное с измененной частотой.
Принцип работы ПЧ со звеном постоянного тока
Схема двойного преобразования позволяет изменять частоту выше или ниже номинального значения в сети. Кроме того, оборудование позволяет реализовать управление скоростью и моментом по различным алгоритмам. Уровень паразитных гармоник ПЧ со звеном постоянного тока ниже, чем при применении устройств с непосредственной связью. К ограничениям оборудования относят увеличенные потери на двойное преобразование и относительно высокую цену.
Виды преобразователей частоты
Преобразователи частоты различают по принципу управления, назначению (общепромышленные и специализированные), количеству фаз (для однофазных и трехфазных электродвигателей) и условиям пуска и эксплуатации (тяжелые и нормальные). Рассмотрим каждый вид устройств подробнее.
Виды преобразователей частоты по принципу управления
Принцип скалярного управления заключается в поддержании постоянной величины отношения напряжение/частота (U/f) во всем интервале изменения скоростей вала. Значение U/f определяет магнитный поток в зазоре между статором и ротором.
Контролируемые параметры при таком методе управления – скалярная величина напряжения и частоты. Скорость вала при этом оценивается по частоте напряжения на обмотках двигателя. Зависимость частоты напряжения двигателя от времени указана на рисунке ниже.
График зависимости частоты напряжения двигателя от времени
Скалярный метод не требует высокой вычислительной мощности схемы управления. Такой способ применяется в приводах на базе асинхронных двигателей, работающих с постоянной нагрузкой. Метод подходит для группового управления несколькими электродвигателями одним ПЧ, например, на насосной станции.
К недостаткам способа относят ограниченный пусковой момент при низкой частоте, относительно невысокая точность регулирования скорости при работе под нагрузкой, невозможность управления моментом, медленный отклик.
Для повышения точности контроля скорости при скалярном способе управления в схему вводится энкодер. Устройство обеспечивает обратную связь по угловой частоте вращения вала и позволяет нивелировать неточности, связанные со скольжением асинхронных двигателей. Схема с датчиком скорости применяется относительно редко, так как не устраняет остальных недостатков скалярного метода.
Принцип векторного регулирования основан на контроле величины и фазы питающего обмотки напряжения, частоты. Таким образом, оцениваются не только скалярные, но и векторные величины.
Принцип векторного управления ПЧ
Векторный способ управления обеспечивает высокую точность регулирования скорости, быстрый отклик на изменение нагрузки, расширяет диапазон изменения угловой частоты вращения вала, уменьшает потери на нагрев и намагничивание.
Метод применяется в электроприводах оборудования с динамической нагрузкой, высокими требованиями к точности позиционирования. Для прецизионных механизмов возможно введение в схему датчика скорости или оборотов.
К недостаткам способа относят высокую вычислительную мощность управляющего устройства, относительно высокую цену и сложность.
Преобразователи частоты по применению
Устройства управления электродвигателем также классифицируют по применению.
По назначению различают:
- Общепромышленные преобразовали частоты. Устройства подходят для приводов оборудования, применяемого в различных отраслях. Параметры и алгоритмы работы задаются при настройке.
- Специализированные ПЧ. Приводное оборудование имеет набор встроенных функций. Выпускают оборудование для насосов и вентиляторов, кранов, лифтов и т.д.
Преобразователи частоты по количеству фаз
По количеству фаз различают:
- Однофазные ПЧ. Устройства служат для управления 1-фазными двигателями.
- Трехфазные ПЧ. Оборудование предназначено для 3-фазных приводов.
Кроме того, преобразователи частоты различают по исполнению, величине номинального напряжения, тока двигателя, набору функций.
Что дает использование преобразователя частоты
Кроме плавного управления скоростью и моментом на валу электродвигателя, частотные преобразователи обладают следующими преимуществами:
- Ограничивают пусковые токи. Устройства обеспечивают пуск на низком напряжении и уменьшают скачки тока, которые возникают при старте двигателей.
- Экономят электроэнергию. ПЧ исключают работу двигателя в режиме недозагрузки на полной мощности, скорость и момент на валу соответствуют нагрузке. Это существенно снижает потребление электроэнергии, экономия может составлять 40 % и больше.
- Увеличивают срок службы и межремонтный период оборудования. ПЧ снижают нагрев обмоток, исключают ударные нагрузки, что замедляет износ двигателя и подключенного к нему оборудования.
- Уменьшают шум. Подключенный к ПЧ электродвигатель работает значительно тише за счет оптимального напряжения на обмотках.
- Позволяют отказаться от механических устройств. ПЧ позволяют заменить редукторы, фрикционные тормоза и другое оборудование.
- Обеспечивают плавный пуск и разгон. Режим старта и разгона можно задавать в настройках преобразователей.
- Позволяют заменить более дорогие двигатели постоянного тока. Приводы на базе ПЧ осуществляют управление скоростью и моментом асинхронных и синхронных двигателей, что позволяет отказаться от электрических машин постоянного тока.
Управление пуском двигателя с помощью ПЧ
Преобразовали частоты также обеспечивают защиту от перегрузок, обрыва фазы, коротких замыканий, заклинивания вала, других аварий и ненормальных режимов. Современные ПЧ комплектуют контроллерами, которые реализуют функции ПИ- или ПИД-регулятора, динамического торможения, подхвата, пропуска резонансных скоростей и др.
Промышленные ПЧ могут встраиваться в системы АСУТП. Устройства поддерживают интерфейсы связи Profibus, Modbus RTU/TCP и другие протоколы обмена данными. Настройка и управление может осуществляться с удаленного оборудования, также возможна передача данных на панель оператора или ПК.
Области применения ПЧ
Преобразователи частоты применяют в различных отраслях производства и инженерных системах. Устройства используют в электроприводах оборудования:
- Систем вентиляции, водоснабжения, орошения: насосов, вентиляторов, исполнительных механизмов задвижек и т.д.
- Горнодобывающей промышленности: дробилок, шредеров, шаровых мельниц, ленточных транспортеров.
- Пищевой отрасли: сепараторов, технологических систем подачи, конвейеров, дозаторов, зерновых мельниц и др.
- Нефтехимической промышленности: систем подачи, теплообмена, компрессоров и др.
- Целлюлозно-бумажного производства: бумагоделательных машин, систем кондиционирования сеток и сукон, сукноведущих валов, воздуходувок для сушилок и т. д.
- Металло- и деревообработки: ленточно-шлифовальных, токарных, фрезерных, сервильных, волочильных станков и др.
Варианты схем управления: один ПЧ управляет несколькими насосами и каждый ПЧ управляет отдельным насосом
Кроме того, преобразователи частоты применяют в приводах кранов, лифтов, других грузоподъемных механизмов, испытательных машин и другого оборудования самого различного назначения.
Заключение
Итак, преобразователи частоты – устройства для управления скоростью и моментом электродвигателей переменного тока. Устройства различают по элементной базе, схеме, способу управления, назначению и исполнению. ПЧ позволяет заменить более сложные и дорогие двигатели постоянного тока на асинхронные и синхронные электроприводы переменного тока, продлевает срок службы оборудования и механизмов, экономит электроэнергию. Частотно-регулируемые приводы используют практически во всех отраслях промышленности и инженерных системах зданий и сооружений.




