Справочная информация по преобразователям давления ОВЕН ПД
Общая справочная информация по датчикам давления ОВЕН ПД
Конвертер единиц давления
Инструмент подбора аналогов
Перегрузочная способность
Таблица материалов датчиков ОВЕН ПДххх
Таблица весов брутто, объёма и размеров тары датчиков ОВЕН ПДххх
Пылевлагозащита или что такое IP
Чек-лист аксессуаров к датчикам давления
Для ПД100 и ПД200(ДИ) моделей х1х
Основные сопутствующие элементы для монтажа:
Б.П.4 – бобышка прямая №4, посадочное место с уплотнением по внутреннему порогу для штуцеров манометрического типа.
Запасные прокладки для Б.П.4 18×6,5 из паронита, резины и фторопласта
БВ-102 и БВ-202 - блоки вентильные общепромышленной серии до 40МПа для безопасной эксплуатации датчиков давления
БВЭ-102 и БВЭ-202 - блоки вентильные эконом серии до 6,3 МПа имеют меньшие габаритные размеры, а для некоторых модификаций меньшие эксплуатационные характеристики, но достаточные для эксплуатации их в большинстве рабочих процессов.
Вспомогательные сопутствующее элементы
ТО – трубки отводные пассивного типа для охлаждения рабочей среды и защиты преобразователя от воздействий высоких температур.
УО-100.40 – устройство охладительное пассивного типа.
Разъём BRS-B044 – разъём стандарта EN 175301-803 А (DIN 43650A) в качестве запасной части для датчиков с соседствующим разъёмом.
Кабель МКЭШ – медный экранированный кабель для подключения преобразователя с питанием и вторичным прибором.
Для ПД100 моделей 121, 141 и 161
Б.П.5 – бобышка прямая №5 для преобразователя модели х2х и х6х с возможностью монтажа заподлицо открытой мембраны.
Б.П.6 – бобышка прямая №6 для преобразователя модели х4х с возможностью монтажа заподлицо открытой мембраны. В комплекте к бобышке идёт силиконовое кольцо для уплотнения мембраны по торцу.
Разъём BRS-B044 – разъём стандарта EN 175301-803 А (DIN 43650A) в качестве запасной части для датчиков с соседствующим разъёмом.
Кабель МКЭШ – медный экранированный кабель для подключения преобразователя с питанием и вторичным прибором.
Для ПД100И моделей 167 и 1х7
ЗП-1 – зажим подвесной для монтажа и фиксации гидрометрического кабеля, предотвращает его закладывание и разрыв.
КК-01 и КК-02 – клеммная коробка, обеспечивающая корректную работу сенсора избыточного давления при переподключении с дорогого гидрометрического кабеля в месте вывода на дешёвый медный кабель.
Кабель МКЭШ – медный экранированный кабель для подключения преобразователя с питанием и вторичным прибором.
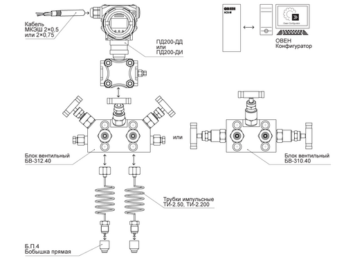
Для ПД200(ДД)
ТИ-2.50 и ТИ-2.200 – трубки импульсные служат в качестве подвода рабочей среды к датчику давления и позволяют понизить её температуру и пульсации давления на входе в преобразователь.
БВ-310 и БВ-312 – блоки вентильные для обеспечения изоляции преобразователя от техпроцесса и возможностью дренажа рабочей среды для упрощения замены преобразователя в условиях эксплуатации. Также для настройки нуля с помощью уравнительного вентиля.
Кабель МКЭШ – медный экранированный кабель для подключения преобразователя с питанием и вторичным прибором.
АС6-М – преобразователь интерфейса HART/USB для подключения ПД200 (ДД или ДИ) к компьютеру и настройки параметров через ОВЕН Конфигуратор.
Для ПД150 и РД30
Комплект для монтажа ПД150 и РД30 – для подключения датчиков к воздуховоду. Комплект состоит из трубки ПВХ 1,5-метровой длины, двух пластиковых фланцев для монтажа в воздуховод и 5 крепёжных саморезов. Один комплект по умолчанию входит в комплект реле давления РД30. Датчик ПД150 поставляется без комплекта и приобретается отдельно.


