Реле контроля фаз MEYERTEC PCR: эффективная защита оборудования от неисправностей сети

Надежность функционирования и продолжительность срока службы электродвигателей, насосов, вентиляторов и автоматики в первую очередь зависит от стабильной работы электросети. Обрыв фазы, перекос и неправильное чередование фаз или скачок напряжения могут привести к фатальными последствиям, начиная от перегрева обмотки и заканчивая полной остановкой технологического процесса. Решить проблему поможет реле контроля фаз MEYERTEC PCR.
MEYERTEC PCR – это компактное и надежное решение, предназначенное для постоянного мониторинга параметров трехфазной электрической сети и автоматического отключения нагрузки при обнаружении аварийных отклонений.
Многофункциональное устройство обеспечивает надежную защиту оборудования, предотвращает выход из строя электроприводов и других критически важных элементов системы управления и сокращает эксплуатационные расходы.
Реле контроля фаз MEYERTEC PCR
MEYERTEC PCR осуществляет всесторонний контроль следующих параметров сети:
Обрыв фазы
Происходит при повреждении линии, неисправности соединения или срабатывании предохранителя на одной из фаз. Работа двигателя на двух фазах вместо трех приводит к резкому увеличению тока в обмотках, их перегреву и быстрому выходу из строя.
Неверное чередование фаз
Возникает из-за ошибок при монтаже или проведении ремонтных работ в сети. Для трехфазных двигателей это означает начало вращения в обратную сторону, что критично для насосов (ведет к падению давления и работе «всухую») и вентиляторов, угрожая повреждением как самого двигателя, так и технологического процесса.
Перекос фаз
Несимметричное распределение напряжений между фазами трехфазной сети означает, что разные фазы сети нагружены по-разному. Это ведет к повышению напряжения на менее нагруженных фазах. Перекос фаз может временно возникать при пуске мощных нагрузок или являться следствием низкого качества электроэнергии (например, для старых или удаленных потребителей), или служить признаком серьезных аварий, например, обрыва нейтрального проводника. Если не срабатывает аварийное отключение, то перекос фаз ведет к перегрузу и перегреву потребителей на менее нагруженных фазах, преждевременному старению и выходу из строя их изоляции. Большой перекос фаз может привести к поломке как отдельных компонентов, так и оборудования в целом.
Обрыв нуля (N)
Возникает в трехфазных четырехпроводных сетях из-за механических повреждений, плохого контакта или отгорания нуля на распределительном щите. При обрыве нуля происходит резкий и непредсказуемый перекос фаз: напряжение на наименее нагруженных фазах может возрасти до 380 В, а на наиболее нагруженных – упасть. Это приводит к моментальному выходу из строя однофазного оборудования (компьютеров, осветительных приборов, блоков питания), подключенного к розеткам 220 В, и создает угрозу пожара.
Перенапряжение и провалы напряжения
Скачки напряжения могут быть вызваны атмосферными явлениями, коммутационными процессами в сети или авариями на подстанции. Провалы возникают при запуске мощных электродвигателей неподалеку. Отклонения губительны для частотных преобразователей, программируемых контроллеров, систем автоматики. Перенапряжение приводит к пробою изоляции и выходу компонентов из строя, а частые провалы — к сбоям в работе и преждевременному износу.
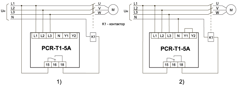
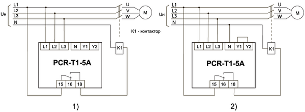
Схема подключения реле модификации PCR-T1-5A
1) ЗФ3П (3 фазы, 3 провода, 3-проводная схема подключения) – без контроля нейтрали (L1, L2, L3)
2) 3Ф4П (3 фазы, 4 провода, 4-проводная схема подключения) – с контролем нейтрали (L1, L2, L3, N)
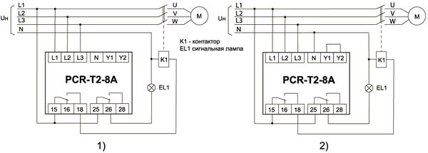
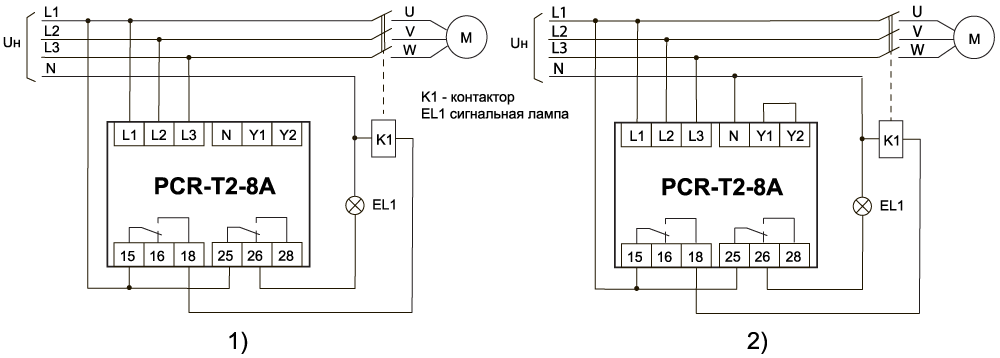
Схема подключения реле модификации PCR-T2-8A
1) ЗФ3П (3 фазы, 3 провода, 3-проводная схема подключения) – без контроля нейтрали (L1, L2, L3)
2) 3Ф4П (3 фазы, 4 провода, 4-проводная схема подключения) – с контролем нейтрали (L1, L2, L3, N)
Преимущества реле контроля фаз MEYERTEC PCR
Универсальность
Одна модель работает в трех- и четырехпроводных сетях, что упрощает подбор и закупку оборудования и делает его подходящим для решения любых задач.
Индикация аварий
Для каждого типа аварии на лицевой панели установлен свой светодиодный индикатор. Это исключает необходимость проведения дополнительных измерений для определения причины неисправности (обрыв фазы, перекос фаз, нарушение чередования, асимметрия напряжения, выход напряжения за допустимые пределы).
Защита от ложных срабатываний
Встроенная функция выдержки времени игнорирует кратковременные помехи и коммутационные скачки напряжения. Отключение происходит только при длительных показателях.
Компактное исполнение
Небольшие габариты позволяют экономить место в шкафу управления.
Технические характеристики MEYERTEC PCR
| Параметр | Значение |
| Номинальное напряжение сети | 220–459 В |
| Диапазон частот | 47–63 Гц |
| Тип контактных групп | 1 или 2 SPDT |
| Время задержки срабатывания | 0,5–10 с, регулируемое |
| Индикация | Светодиодная по типу аварии |
Подробная информация представлена на сайте.
Области применения
MEYERTEC PCR рекомендовано для установки в каждый шкаф управления трехфазными электродвигателями, вентиляторами, насосами, компрессорами и другим оборудованием, требовательным к качеству электропитания.
Наличие устройства критично в двух случаях:
- на объектах с нестабильным или временным электроснабжением, где риски аварий максимальны: стройплощадки, скважинные насосы, производства с устаревшей электросетью;
- в системах с высокой степенью автоматизации, где отказ ответственного оборудования может привести к остановке технологического процесса: конвейеры и транспортеры, насосы станций подъема воды, системы вентиляции и дымоудаления.
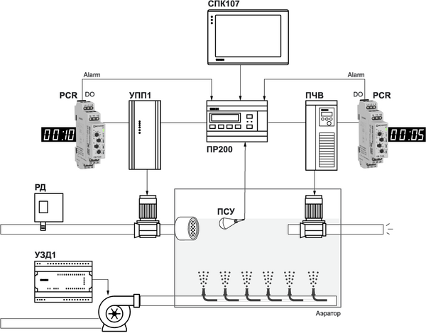
Интеграция реле с оборудованием ОВЕН
Реле MEYERTEC PCR совместимо с такими промышленными контроллерами ОВЕН, как ТРМ1032, ТРМ1033, СУНА, ВЬЮГА-1, а также с частотными преобразователями ОВЕН ПЧВ. Реле обеспечивает аппаратную защиту нагрузки, предохраняя привод от повреждений при авариях в сети и повышая общую отказоустойчивость системы. Задачи алгоритмического управления решаются контроллером.
Интеграция MEYERTEC PCR с оборудованием ОВЕН
Реле контроля фаз MEYERTEC PCR — функциональный и надежный инструмент для построения систем защиты в трехфазных сетях. Устройство повышает устойчивость оборудования к сетевым аномалиям, снижает риск отказов и обеспечивает стабильную работу оборудования, сокращая затраты на последующий ремонт. Простая установка, информативная индикация и точная работа в любых условиях делают его оптимальным выбором для электроприводов и систем управления на базе ОВЕН.
Для приобретения оборудования оставьте заявку на сайте.




