• Каталог продукции
  • О компании
  • Поддержка
  • OwenCloud
  • Учебный центр
  • Форум
  • Профиль
  • ПЛК210-PL программируемый контроллер с российской программной средой Полигон и резервированием

    ПЛК210-PL программируемый контроллер с российской программной средой Полигон и резервированием
    Новинка
    Номинальное напряжение питания 24В
    Температура эксплуатации до -20 °С
    Поддержка архивации на USB-накопитель
    Ethernet
    Интерфейс RS-485
    Интерфейс RS-232
    Интерфейс USB Device
    microSD
    Поддержка Modbus TCP (Master/Slave)
    Протокол MQTT
    Протокол NTP (Client/Server)
    Поддержка OPC UA (Server)
    Протокол STP/RSTP для поддержки кольцевой топологии Ethernet
    Полигон
    Поддержка протоколов обмена МЭК-101 и МЭК-104
    Поддержка протоколов обмена МЭК-61850
    Задать вопрос специалисту
    от 64 620,00
    Выбрать и заказать

    Технические характеристики

    Типовые схемы подключения

    Функциональные схемы

    Типовые схемы подключения и резервирования

    Габаритные и установочные размеры

    Модификации

    Аксессуары

    Схемы подключения

    ПЛК210-11

    ПЛК210-12

    ПЛК210-13

    ПЛК210-14

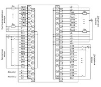
    Назначение контактов клеммника

    ПЛК210-11-PL назначение контактов клеммника ПЛК210-12-PL назначение контактов клеммника ПЛК210-13-PL назначение контактов клеммника ПЛК210-14-PL назначение контактов клеммника

    Схема подключения контактных датчиков к дискретным входам

    ПЛК210-01 схема подключения контактных датчиков

    ПЛК210-12 схема подключения контактных датчиковПЛК210-12 схема подключения контактных датчиков

      ПЛК210-12 схема подключения контактных датчиков

    Схема подключения датчиков n-p-n типа*

    ПЛК210-11 схема подключения датчиков n-p-n типа

    ПЛК210-12 схема подключения датчиков n-p-n типа

    ПЛК210-12 схема подключения датчиков n-p-n типа

      ПЛК210-12 схема подключения контактных датчиков

    Схема подключения датчиков p-n-p типа

    ПЛК210-11 схема подключения датчиков p-n-p типа

    ПЛК210-12 схема подключения датчиков p-n-p типа

    ПЛК210-12 схема подключения датчиков p-n-p типа

      ПЛК210-12 схема подключения контактных датчиков

    * Для подключения транзисторов типа n-p-n к быстрым дискретным входам FDI1–FDI12 следует использовать отдельный источник питания для входов. Клемма SS1 объединена со входом питания.

    Видео

    Документация

    Комплектация

    Цены

    Проекты

    Задать вопрос специалисту

    Используем куки и рекомендательные технологии
    Это чтобы сайт работал лучше. Оставаясь с нами, вы соглашаетесь на использование файлов куки.
    OK
    Товар добавлен!
    Модификация:
    Цена:  ₽ ( ₽ за . Кратность отгрузки:  .)
    Продолжить выбор
    Перейти к оформлению