ШУ насосом в резервуаре в зависимости от уровня жидкости
Компания: ООО "Электро Центр"
Город: Амурская область, г. Благовещенск
Используемая продукция ОВЕН:
Контроль уровня топлива в резервуарах — критически важная задача на объектах хранения и перекачки дизельного топлива на предприятиях нефтегазовой отрасли. Отсутствие надежной автоматики может привести к переливам, загрязнению окружающей среды и аварийным ситуациям. В условиях взрывоопасной зоны особенно важно обеспечить как безопасность, так и стабильность работы системы в автономном режиме.
Нефтегазовая компания из Благовещенска Амурской области поставила задачу нашему партнеру «Электро Центр», специализирующемуся на комплексном оснащении промышленных и инженерных объектов от поставки продукции до разработки систем автоматизации и сборки шкафов управления, создать шкаф управления насосом дизельного топлива. Реализация проводилась на базе оборудования ОВЕН.
Задача проекта
Целью настоящего проекта стала разработка шкафа управления насосом дизельного топлива, работающего во взрывоопасной зоне, с автоматическим управлением в зависимости от уровня жидкости в резервуаре. Система должна обеспечивать надежную защиту от перелива, гарантировать безопасную работу оборудования и минимизировать необходимость ручного вмешательства.
Реализация проекта
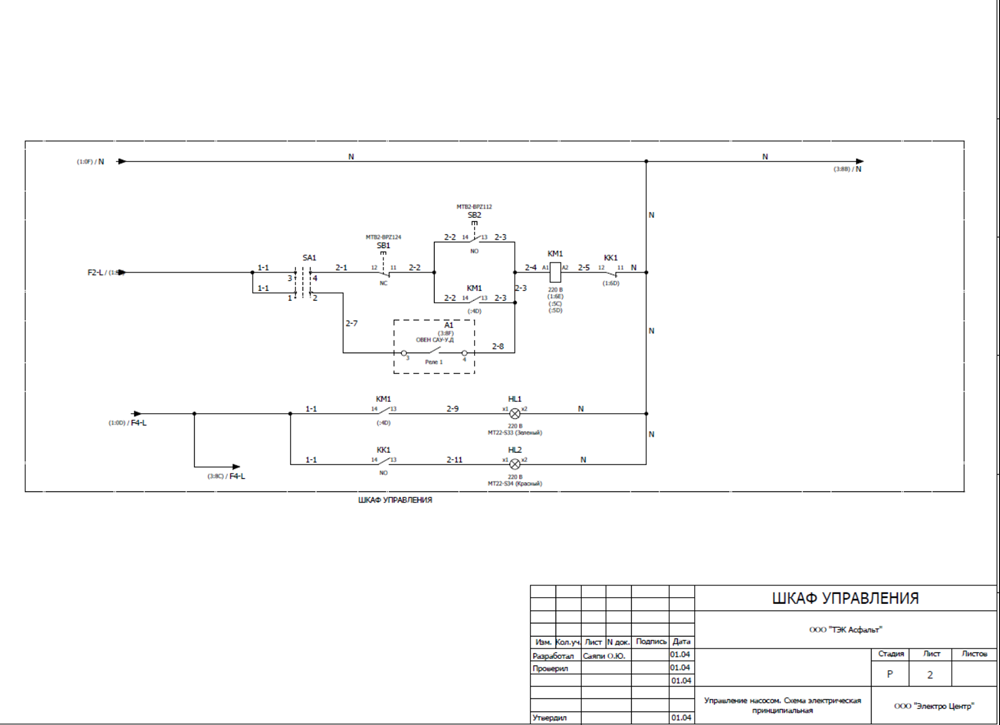
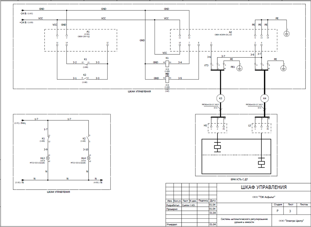
В качестве управляющего устройства был выбран специализированный контроллер ОВЕН САУ-У.Д с корпусом для DIN-рейки, предназначенный для создания систем автоматического контроля и поддержания уровня, а также управления насосами. Он принимает сигналы от датчиков уровня, обрабатывает их и реализует заданную логику управления — включение/отключение насоса в зависимости от текущего уровня топлива. Настройка прибора выполняется с лицевой панели. Предусмотрена возможность ручного управления.
Для обеспечения взрывозащиты применен барьер искрозащиты ОВЕН ИСКРА-СК.2.03, обеспечивающий безопасную передачу сигналов от датчиков, установленных непосредственно во взрывоопасной зоне.
Шкаф укомплектован в соответствии с отраслевыми требованиями, решение полностью автоматизировано и предназначено для эксплуатации без постоянного присутствия и вмешательства оператора.
Результат
Заказчик получил надежную и безопасную систему автоматического управления насосом, исключающую переполнение резервуара. Благодаря применению искробезопасного барьера ОВЕН ИСКРА-СК.2.03 обеспечена взрывозащищенность цепей, что соответствует требованиям промышленной безопасности. Система работает в полностью автоматическом режиме, не требует постоянного присутствия персонала и минимизирует риск ошибок.
Автоматизация системы повысила надежность эксплуатации оборудования и сократила затраты на обслуживание.
Мнение партнера
Олег Саяпин, инженер АСУ ТП ООО «Электро Центр»
Продукция ОВЕН была выбрана за надежность, соответствие требованиям промышленной безопасности и оптимальное соотношение цены и функциональности. Контроллер САУ-У специально разработан для управления насосным оборудованием и идеально подходит для задач, связанных с контролем уровня жидкости. Барьер искрозащиты ИСКРА-СК.2.03 обеспечивает безопасную работу во взрывоопасной зоне, соответствуя требованиям нормативных документов. Дополнительным преимуществом стало наличие технической поддержки и документации на русском языке, а также гарантия стабильных поставок благодаря импортонезависимости оборудования.
Используемая продукция ОВЕН
Дополнительные материалы
| Схема шкафа автоматики | png | 127.68 kB | |
| Схема шкафа автоматики | png | 69.66 kB | |
| Схема шкафа автоматики | png | 105.32 kB | |
| Схема шкафа автоматики | png | 42.58 kB |
Информация о компании
Компания: ООО "Электро Центр"
Контактное лицо: Саяпин Олег Юрьевич
Телефон: +79241480253
E-mail: OYSayapin@gmail.com
Сайт: https://elektrocentrdv.ru/
Описание деятельности компании: ООО «Электро Центр» — компания, основанная в 2011 году, и являющаяся официальным региональным дилером продукции ОВЕН в г. Благовещенске. Организация занимается комплексным оснащением промышленных и инженерных объектов, предлагая широкий спектр услуг: поставку электротехнической продукции и оборудования для автоматизации, выполнение монтажных работ (в том числе по электрике, КИПиА, АСУ ТП, СКС), разработку систем автоматизации и диспетчеризации (SCADA, программирование ПЛК), а также сборку щитов управления и шкафов автоматики.



