Как работает бесконтактный реверсивный пускатель

В современном промышленном производстве надежное и эффективное управление электроприводами является критически важным. Традиционные электромеханические пускатели постепенно уступают место более современным и технологичным решениям. В статье рассмотрим устройство и принцип работы бесконтактного реверсивного пускателя – устройства, обеспечивающего плавный пуск, реверс и остановку электродвигателей с использованием полупроводниковых элементов. Изучим преимущества и особенности применения данного типа пускателей, а также области, где их использование наиболее эффективно.
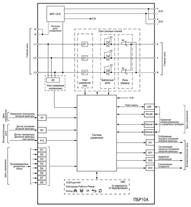
Бесконтактный реверсивный пускатель – прибор для управления электроприводом. Базовые функции устройства – обеспечение пуска, плавного разгона, остановки, реверса электрического двигателя. Силовая схема полупроводникового пускателя строится на базе симисторных электронных ключей.

Силовая схема полупроводникового пускателя
Элементы обеспечивают бесконтактную коммутацию цепей и плавную регулировку пускового напряжения. Запертые симисторы имеют очень высокое сопротивление, поэтому ток через элементы в этом состоянии чрезвычайно мал. Такое состояние соответствует разомкнутому состоянию контакта. При подаче управляющего тока симисторы открываются, в этом состоянии их сопротивление невысокое и соответствует стандартному проводнику, что эквивалентно замкнутому контакту. Запирание осуществляется сменой полярности тока между выводами или смещением тока нагрузки ниже значения удержания в открытом состоянии.
Таким образом осуществляется электронная коммутация. Рассмотрим принцип работы схемы бесконтактного пускателя подробнее.
Принцип работы схемы электронного реверсивного пускателя
Симисторные ключи установлены на всех трех фазах силовой цепи. Параллельно им включены контакты байпасного реле.
Упрощенная схема бесконтактного пускателя
При запертых полупроводниковых элементах напряжение в выходной силовой цепи отсутствует. Для пуска электродвигателя с системы управления подается управляющий ток. При этом проводимость симисторов увеличивается в течение 100 мс до максимального значения. Электродвигатель запускается, разгоняясь до номинальной скорости. Наибольшей проводимости симисторов в открытом состоянии соответствует номинальная угловая частота вращения вала.
Пускатель не заменяет полноценное устройство плавного пуска, однако в новых ПБР доступна возможность настройки длительности плавного пуска в диапазоне до 10 сек., чтобы снизить пусковой ток и смягчить связанные с этим негативные эффекты. При достижении номинальной скорости двигателем срабатывает байпасное реле. Ток начинает течь по пути наименьшего сопротивления, а симисторные ключи выводятся из цепи. Это уменьшает тепловые потери, так как даже при минимальном сопротивлении полупроводниковые элементы нагреваются при прохождении тока. Помимо снижения потерь, байпасирование экономит рабочий ресурс симисторов.
Остановка двигателя осуществляется в обратном порядке: цепь байпаса размыкается, симисторы под воздействием управляющего сигнала переходят в запертое состояние, электродвигатель останавливается выбегом.
Обратное вращение вала двигателя достигается следующим образом. Сигнал со схемы управления подается на реле реверса. Контакты устройства замыкаются и размыкаются таким образом, что в силовой цепи изменяется порядок чередования фаз, соответственно электродвигатель изменяет направление вращения на обратное.
Конструкция бесконтактного реверсивного пускателя предусматривает управления унифицированными сигналами по цифровым и аналоговым входам, а также через интерфейсы RS-485, Ethernet, USB.
Преимущества электронного бесконтактного пускателя
Преимущества электронных пускателей особенно актуальны для приводов, которые работают в повторно-кратковременном режиме, например, исполнительных механизмов регулирующей арматуры в высокодинамичных технологических процессах. Частые включения, реверсы и отключения сильно изнашивают механические контакты магнитных пускателей. Поэтому аппараты приходится часто ремонтировать или заменять. У электронных же приборов элементы, подверженные износу, отсутствуют. Бесконтактные реверсивные пускатели бесперебойно работают продолжительное время без обслуживания и ремонта. Их использование сокращает простои во время выполнения технических работ и существенно экономит расходы на обслуживание и ремонт. За счет встроенных функций защит электрического двигателя срок службы исполнительных механизмов возрастает.
Бесконтактные реверсивные пускатели представляют собой современное и надежное решение для управления электроприводами. Их применение позволяет повысить эффективность работы оборудования, снизить затраты на обслуживание и ремонт, а также увеличить срок службы электродвигателей. Благодаря своим преимуществам, они находят все более широкое применение в различных отраслях промышленности.




