Автоматизация ИТП: программируемые реле ОВЕН как ключ к успеху
Автоматизация индивидуальных тепловых пунктов – одна из наиболее часто встречающихся задач. Несмотря на типовой характер, почти каждый раз приходится терять много времени на подбор оборудования, написание программ и отладку алгоритмов управления.
В статье подробно рассмотрим применение программируемых реле ОВЕН ПР205 и ПР225 для систем ИТП, расскажем о преимуществах и докажем на примерах.

В современных условиях автоматизация инженерных систем зданий становится не просто желательным, а необходимым условием стабильной и экономичной работы оборудования. Без автоматического управления системы работают с перерасходом энергоресурсов, нестабильными параметрами и повышенным риском аварийных ситуаций. В полной мере это относится и к индивидуальным тепловым пунктам (ИТП), где важна стабильная работа насосов, теплообменников, запорно-регулирующей арматуры и контроль параметров теплоносителя, обеспечивающих не только комфорт в здании, но и влияющих на снижение расходов на эксплуатацию.
Несмотря на типовой характер задач, автоматизация ИТП на практике до сих пор остается трудоемкой: значительное время уходит на подбор оборудования, написание программ и отладку алгоритмов управления. В таких условиях ключевым фактором становится наличие готовых инженерных решений, которые можно адаптировать под объект. Это напрямую влияет на сроки внедрения и предсказуемость работы оборудования.
Какие задачи управления ИТП решают ПР205 и ПР225
Современные требования к индивидуальным тепловым пунктам включают:
- автоматическое поддержание температуры;
- оптимизацию работы насосных групп;
- снижение энергопотребления;
- удаленный контроль и диспетчеризацию;
- повышение надежности и отказоустойчивости.
Программируемые реле ОВЕН ПР205 и ПР225 разработаны для управления системами отопления, вентиляции и водоснабжения, они обеспечивают обработку сигналов от датчиков и управление исполнительными механизмами, позволяя реализовать все эти требования в компактном и экономически эффективном решении. А наличие готовой подробной документации упрощает внедрение и пусконаладку, сокращая время на реализацию.
Основные особенности ПР205 и ПР225 для задач ИТП
Оба устройства обладают схожими техническими характеристиками:
- наличие аналоговых и дискретных входов-выходов;
- поддержка интерфейсов связи: Ethernet, RS-485;
- встроенный графический дисплей для локального управления;
- расширенные возможности визуализации и удаленного мониторинга;
- интеграция с облачным сервисом диспетчеризации OwenCloud.
При автоматизации ИТП данные характеристики позволяют реализовать:
- погодозависимое регулирование;
- управление группой насосов (основная/резервная);
- контроль давления и температуры;
- управление клапанами и задвижками;
- аварийную сигнализацию.
Наличие готовых проектов и документации
Одним из ключевых преимуществ применения ПР205 и ПР225 является наличие готовой проектной документации, разработанной на основе многолетнего опыта, которую можно использовать как основу для конкретного объекта. Такой подход позволяет перейти от этапа разработки к этапу адаптации: корректируются уставки, уточняется состав оборудования и параметры объекта, но основная логика уже задана и проверена на практике.
Пакет документации включает:
- принципиальные электрические схемы;
- спецификации оборудования;
- компоновочные решения шкафов управления;
- готовые программы с возможностью адаптации.
Использование готовых решений позволяет:
- значительно сократить сроки проектирования;
- снизить вероятность ошибок;
- упростить внедрение и пусконаладку;
- стандартизировать решения для типовых объектов.
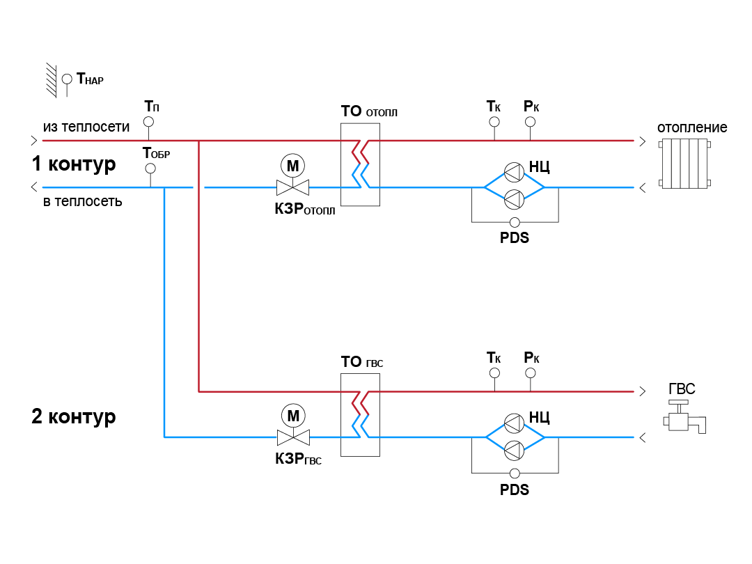
Комплект документов для ПР225 для системы управления закрытыми контурами ГВС и отопления без насосов.
Комплект документов для ПР205 для управления ИТП с независимыми контурами ГВС и отопления с подпиткой и насосами циркуляции.
Примеры успешных применений
Мы подобрали два проекта, на примере которых можно увидеть, какие задачи на практике решают ПР205 и ПР225. Оба реализованы в Иркутской области, что доказывает надежность работы оборудования даже в сложных климатических условиях.
Автоматизация котельной для торгового центра в Иркутской области
В рамках проекта необходимо было автоматизировать работу насосной группы и сопутствующего оборудования, установить систему безопасной остановки котла на случай отключения электроэнергии и круглосуточную систему удаленного контроля работы котельной с оповещением об авариях.
В качестве управляющего устройства использовано программируемое реле ПР205 с модулем расширения ПРМ. Реле управляет работой сетевых насосов с автоматическим переключением в случае неисправности одного их них, подпиткой насосов, системой бесперебойного питания (ИБП) для включения циркуляционного насоса в случае отключения электроэнергии. Также ПР205 контролирует температуру и давление в сети. И осуществляет контроль аварий в работе котлов и механизации топливоподачи.
В результате автоматизации котельная обеспечивает стабильное и бесперебойное теплоснабжение. Обслуживание требует участия всего четырех сотрудников, которые занимаются загрузкой топлива, в то время как остальные процессы полностью автоматизированы. Это значительно сокращает трудозатраты и повышает общую производительность оборудования. Проект стал одним из более чем 10 успешных внедрений подобного рода.
Подробнее о проекте можно узнать по ссылке.
Автоматизация и диспетчеризация угольной котельной мощностью 1,3 МВт
В городе Бирюсинск Иркутской области необходимо было перевести новую модульную угольную котельную на автоматический режим работы.
Неавтоматизированная котельная требовала постоянного присутствия персонала для ручного управления всеми процессами. Необходимо было разработать и внедрить комплексную систему автоматического управления, обеспечить надежную и экономичную работу котельной без постоянного присутствия операторов. Отдельным требованием стала в дальнейшем возможность интеграции в облачную архитектуру для удаленного контроля и управления.
В основе системы управления – программируемые реле ПР205 и ПР225. За каждый технологический узел отвечает отдельный шкаф автоматики. Щиты управления котлами разработаны на базе ПР205, щиты управления насосами и дымососами на базе ПР225. Вся работа централизованно координируется через главный щит управления.
Заказчик получил автоматизированную угольную котельную. Система получилась стабильной и надежной.
Подробнее о проекте можно узнать по ссылке.
Данные примеры наглядно показывают, что приборы ПР205 и ПР225 отлично подходят для автоматизации ИТП, в результате конечные потребители получают комфортную температуру ГВС и отопления при экономии энергоресурсов.




